全國咨詢熱線: 0579-87271635
傳真: 0579-87271635
郵箱: 2863929687@qq.com
張經理: 139-6746-7685
雷經理: 139-6746-7685
占經理: 139-6746-7685
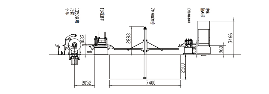
本設備的工作流程:本設備是將鋼卷板通過整平后、定尺沖壓落料、橫剪廢料的方式、把鋼板加工成客戶需要尺寸的專用自動剪切設備。該生產線的主要設備由液壓上料小車、開卷機、接料鏟頭、整平主機、渡橋、NC偏擺定尺送料機、沖壓設備、圓片輸送帶等機構構成。
設備在工作時開卷機處于送料狀態(tài),板料進入整平機校平后,經過渡橋和側導向機構進入NC偏擺定尺裝置,NC偏擺定尺送料機裝置按設定好的尺寸定尺向后工序沖壓設備送料。當NC偏擺定尺送料達到設定尺寸時,設備停止送料同時將信號傳給沖壓設備,由沖壓設備將需要的尺寸圓片切斷,切下的圓片落入輸送帶、輸送到集料架。廢料達到設定尺寸時,剪床自動剪切廢料。
本設備的送料、校平、剪切、集料等工作主機在工作時是自動協調的,不會對板料產生拉伸動作;本機采用PLC伺服控制技術,以觸摸屏作為人機界面,通過人工輸入所開板料的尺寸、張數。此外,觸摸屏還具有進料速度設定,自動與手動互換設定,進料長度值設定,進料數設定,自動起動按鈕,自動停止按鈕,暫時停止按鈕,計數器清零,進料按鈕,退料按鈕,剪刀升起,剪刀下降,異常報警等功能。
本設備在設計及制作上都注意到對板面的保護,鍍鉻輥、聚氨脂輥、接料架、鼓風機等都會對板材表面起到很好的保護作用。

NC多路送料機工藝流程(根據客戶要求,可進行選配):
液壓上料小車→開卷機→接料鏟頭→整平主機→渡橋→NC偏擺定尺送料機→沖壓設備→圓片輸送帶(液壓系統、氣動系統、電控系統)
